产品分类

  液压站
  液压缸
  电液推杆
  电液动执行器
  炉顶水枪(炉顶打水雾化装置)
  可变槽角犁式卸料器
  电液动三、四通分料器
  电液动扇形闸门
  电液动腭式闸门
  电液动平板闸门
  电液动料流插板调节闸门
  缓冲锁气漏斗
  胶带自控液压拉紧装置
  全自动液压调正装置
  露天胶带机脱排水装置
  称量漏斗
  自控除尘卸料装置(卸料车)
  碎渣机
  启闭机
  电液动矩形单叶片通风蝶阀
  星形卸灰阀
  电液动插板式双层卸灰阀
  电液动蘑菇头双层卸灰阀
  防爆阀
  泄压阀
  单、双层棒条阀
  电动锁风翻板阀
  重锤式锁风翻板阀
  百叶圆式窗式阀
  浆液阀(手动、电液动)
  电液动闸阀
  高温蝶阀
  电液动蝶阀
  电液动两路换向阀
  电液动球阀
  标准件系列
  电液动犁式卸料器
  气缸
  栈桥冲洗器
  液压拉紧装置
  可逆配仓带式输送机
  液压气动缸
  电厂检查门、吊架
 
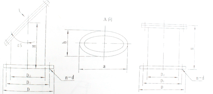
说 明  

 

FBV-F(Y)型防爆阀

防爆阀

 用 途

  该阀适用于建材、冶金、化工、电力等部门中,作为压缩易爆气体管道的卸压装置。

 特点

   该阀为钢制焊接结构、结构简单、重量轻、性能可靠。

 工作原理

   该阀由阀体、爆破片、压盖等组成,当系统压力大于0.1MPa压力时,爆破片自行破裂,防止系统发生爆炸。

 型号编制说明

 主要性能参数

 

适用介质 压缩易爆气体
工作温度(℃) ≤300
使用压力(MPa) 0.1

 外形连接安装尺寸

 


<<<上一页          下一页>>>